产品介绍
| 概述 | |||||||||||||||||||||||||||||||||||||||||||||||||||||||||
|
GN30-12型旋转式户内高压隔离开关是一种旋转触刀式的新型隔离开关,主要结构是在三相共底架的上、下两个平面上,固定两组绝缘子及触头,通过旋转触刀,从而实现开关的分合闸。 GN30-12D型开关是在GN30-12型开关基础上增加带接地刀的形式,可满足不同电力系统的需要。本产品设计紧凑、占用空间小、绝缘能力强、易于安装调整,其性能符合GB1985-89《交流高压隔离开关和接地开关》的要求,适用 于额定电压12kV交流50Hz及以下户内系统中,作为在有电压无负载情况下,分合电路之用。可与高压开关柜配套使用,也可单独使用。 |
|||||||||||||||||||||||||||||||||||||||||||||||||||||||||
| 主要技术参数 | |||||||||||||||||||||||||||||||||||||||||||||||||||||||||
|
|||||||||||||||||||||||||||||||||||||||||||||||||||||||||
|
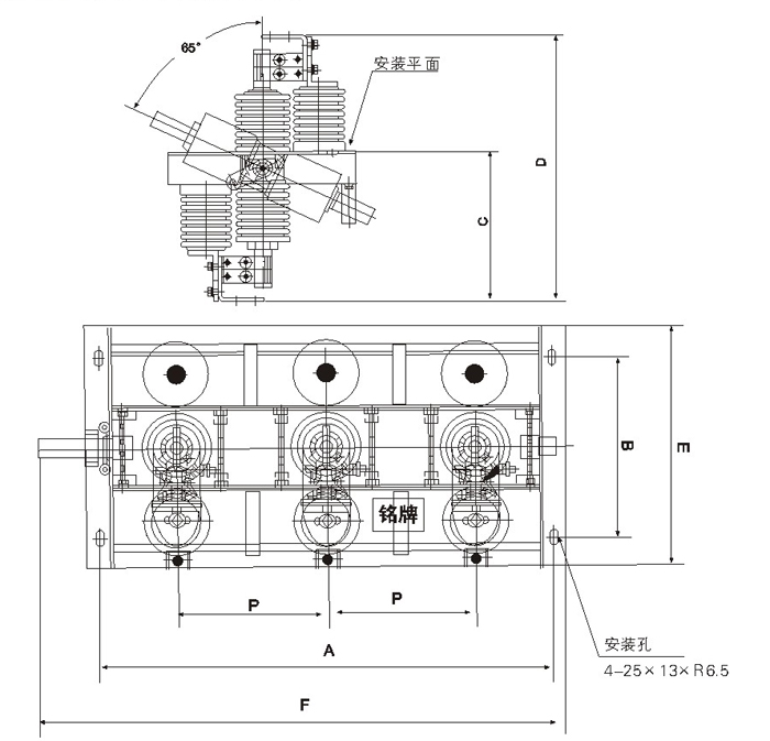
GN30-12/1250外形及安装尺寸
|
|||||||||||||||||||||||||||||||||||||||||||||||||||||||||
更多产品








